欢迎光临齿轮减速机生产厂家-上海满伊传动设备有限公司!
国内专业生产减速机传动设备的制造公司,例如:平行轴斜齿轮减速机,螺旋伞齿轮减速机,升降机,齿轮减速机,蜗轮蜗杆减速机,摆线针轮减速机
齿轮减速机拆装教程,圆柱齿轮减速机参数,减速机精度最高能做到多大,圆柱齿轮减速机型号,减速机各齿轮扭矩是否合理,微型齿轮减速器,斜齿轮减速机内部构造,齿轮减速机哪个品牌好,卧式齿轮减速机机
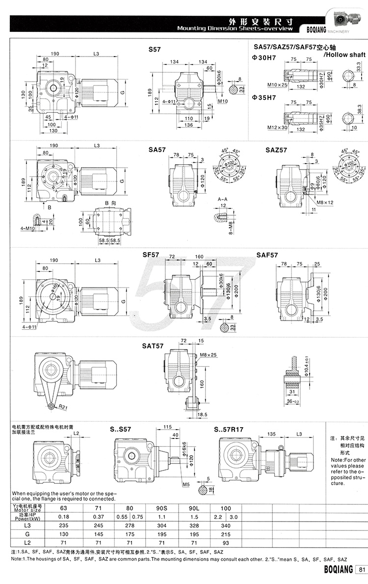
S系列斜齿-蜗轮蜗杆减速机
SA系列斜齿蜗轮蜗杆减速机

SA系列斜齿蜗轮蜗杆减速机

  • 产品描述

上一篇: 没有了!
下一篇: 没有了!
上海满伊传动设备有限公司 2017 版权所有 沪ICP备15058116号-1 技术支持:云鼎科技
电 话:021-56701228 传 真:021-51062587 邮箱:shmycd@163.com
地 址:上海松江区小昆山镇崇南公路435号

齿轮减速机是按国家专业标准ZBJ19004生产的外啮合渐开线斜齿圆柱齿轮减速机,齿轮减速机是我国广泛运用在华东地区、用于塔引入式起重机机械的回转机构,广泛应用于冶金、矿山、起重、运输、水泥、建筑、化工、纺织、印染、制药等领域。齿轮减速机一般用于低转速大扭矩的传动设备,把电动机普通的减速机也会有几对相同原理齿轮达到理想的减速效果,大小齿轮的齿数之比,就是传动比。随着减速机行业的不断发展,越来越多的企业运用到了减速机。 齿轮减速机1、R系列同轴式斜齿轮减速机结合国际技术要求制造,具有很高的科技含量2、节省空间,可靠耐用,承受过载能力高,功率可达132KW; 3、能耗低,性能优越,减速机效率高达95%以上;4、振动小,噪音低,节能高;5、选用优质锻钢材料,钢性铸铁箱体,齿轮表面经过高频热处理;6、经过精密加工,确保轴平行度和定位轴承要求,形成斜齿轮传动总成的减速机配置了各种类电机,组合成机电一体化,完全保证了产品使用质量特性。